| Natureduca - Portal educativo de ciencia y cultura |

Tecnología
TÉCNICA INFORMÁTICA
Electrónica digital - 6ª parte
1 2 3 4 5 6 7 8 9 10 11 12 13 14
Lógica de circuitos (continuación)
ontinuando con nuestro circuito de frenado, el sistema de emergencia ha de hacer funcionar una alarma en el
cuadro de mandos del maquinista cuando se detecte una presión insuficiente o una
temperatura excesiva en uno de los circuitos de frenado de que consta la
locomotora, esto en el caso de funcionamiento en modo automático; caso de operar
en modo manual sólo se debería producir alarma en el caso de que haya una
presión en el circuito principal que sea inferior a la mínima permitida.
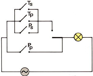
Para ello se disponen de una serie de sensores de presión y temperatura que funcionan como si fueran interruptores. Cada elemento sensor de presión se activará cuando la presión en el circuito baje del nivel mínimo permitido, y los sensores de temperatura lo harán cuando se supere el máximo nivel de temperatura, cerrando un contacto en un circuito.

El esquema del circuito de
alarma reúne información y toma decisiones lógicas en función de los
parámetros con los que se le ha dotado. La estructura es sencilla y además
no permite repuestas intermedias o ambiguas.
La designación de los sensores es la siguiente:
a) En modo manual.